Tepelné nadprúdové relé k stýkačom TR1F, 9-13A
Skladom u dodávateľa 1 ks
Tepelné nadprúdové relé k stýkačom TR1F, 9-13A
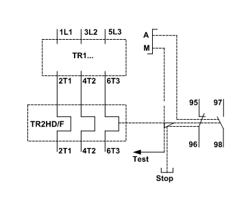
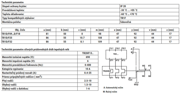
V kombinácii so stykačmi TR1F slúžia na ochranu elektrických strojov a zariadení pred nadprúdom a preťaženiam. Kontaktné kolíky tepelného relé sa pripájajú k hlavným kontaktom stykačov 2T1, 4T2, 6T3. Vzájomnú vzdialenosť kontaktných kolíkov treba upraviť ešte predosadením relé na stykač.
Automatický režim: režim znovuzapínania relé. Po stlačení a pootočení modrého znovuzapínacieho tlačidla v smere pohybu hodinových ručičiek ukazovateľ smeruje k nápisu „AUTO“ a je pod úrovňou testovacieho tlačidla. Pri preťažení tepelné relé preruší prúdovodné dráhy. Po vychladnutí bimetalového spínacieho elementu opätovne premosťuje prerušené prúdovodné dráhy relé.
Manuálny režim: ukazovateľ modrého tlačidla smeruje k značke M a prevyšuje úroveň testovacieho (červeného tlačidla). Pri preťažení tepelné relé preruší prúdovodné dráhy. Po vychladnutí bimetalového spínacieho elementu prerušené prúdovodné dráhy nespojí. K ich opätovnému spojeniu je potrebné jedenkrát stlačiť modré tlačidlo znovuzapínania relé (bez pootočenia).
690V, 0-400Hz, 9-13A, 1×NC+1×NO
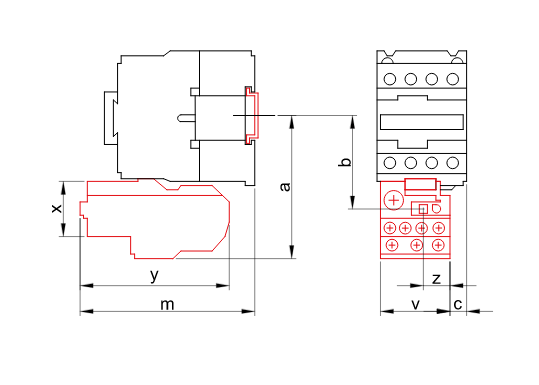
Technická špecifikácia
-
Obj. čislo220851
-
EAN5997374143387
-
Výrobca
-
Menovité napätie690
-
Kontakt1×NC+1×NO
-
Menovitý prúd13.000000
Recenzie overených zákazníkov

Skladom u dodávateľa 1 ks